Информация для заказа:
GORT - 5 - E - K - D - F - 1 - 2 - P
название - типоразмер - вх. напряжение - вых. напряжение - вых. мощность - темп. диапазон - тип корпуса - тип выводов - произв. площадка
Типоразмер Quarter-brick (1/4, «четверть кирпича», «C Micro» у Vicor) обозначается цифрой 5 и соответствует следующим размерам:
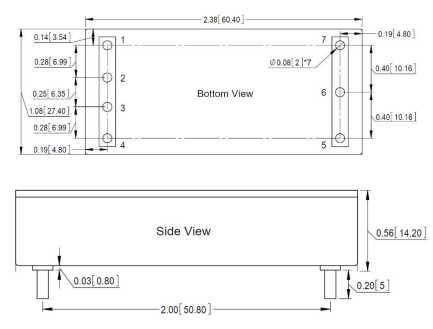
60.4×37.3×14.2 mm для типа корпуса 1 – с фланцем с прорезями, площадка P;
60.4×27.4×14.2 mm для типа корпуса 0 – корпус без фланца, площадка P;
60.0 x 40.0 x 12.4 mm для типа корпуса 3 – со сквозными отверстиями / through-hole (корпус без фланца со сквозными отверстиями), площадка P;
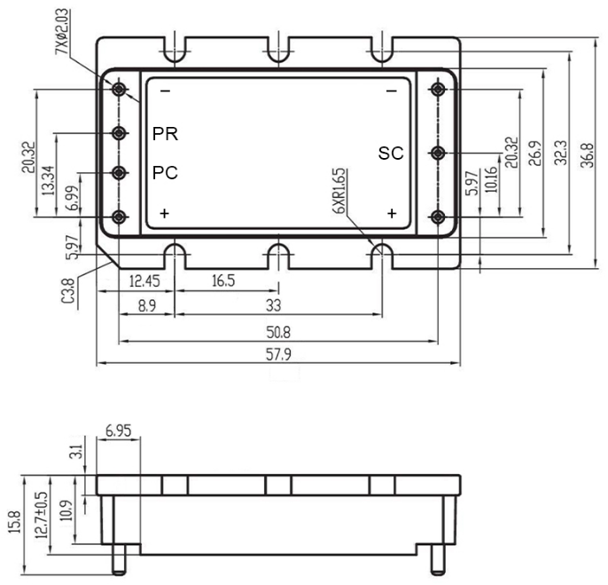
64.3×51.7×12.7 mm для типа корпуса 1 – с фланцем с прорезями, площадка D;
59.7×36.8×12.7 mm для типа корпуса 1 – с фланцем с прорезями, площадка D. *Для диапазона входного напряжения D, P, R;
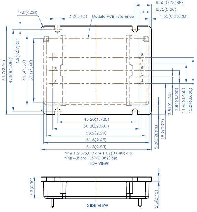
60.6×39.4×12.7 mm для типа корпуса 0 – корпус без фланца, площадка D;
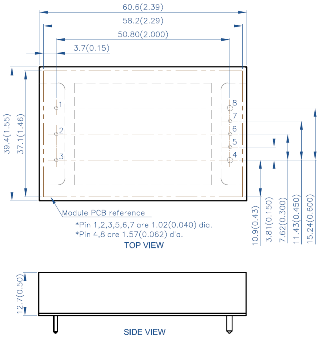
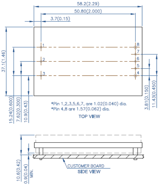
58.2×37.1×10.2 mm для типа корпуса 4 - без корпуса / open frame, площадка D;
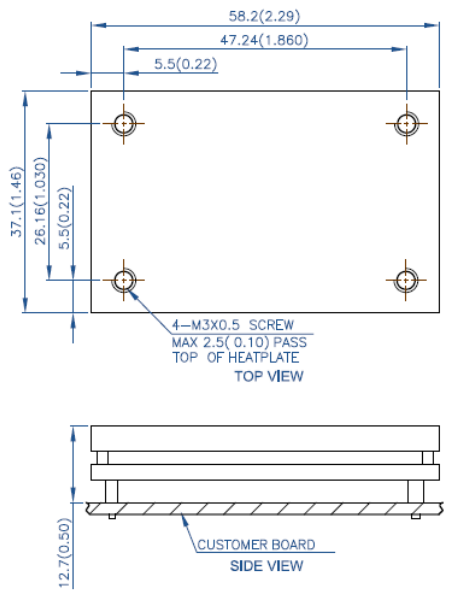
58.2×37.1×12.7 mm для типа корпуса N – baseplate, площадка D;
В конструкции преобразователей отсутствуют конденсаторы с ограниченным сроком службы.
Доступны 2 варианта распиновки: Vicor; DOSA.
GORT -5 - - - - - - - P (Тайвань)
Входное напряжение, VDC
E (9-36)
D (18-36)
T (18-75)
W (40-180)
Z (180-425)
V (9-75)
1 (14-154)
Выходное напряжение, VDC
C=5
K=12
O=24
P=28
T=48
C=5
K=12
M=15
O=24
KK=±12
MM=±15
OO=±24
Мощность, W
B=50
D=100
E=150
B=50
C=75
Температурный диапазон, °С
F (-40..+100)
F (-40..+100)
Тип корпуса
1 (с фланцем) / 0 (нет фланца)
3 (through-hole)
Тип выводов
2 (long)
8 (DOSA)
8 (DOSA)


№ pin
Описание
1
2
3
4
5
6
7
-V in
-
Enable
+V in
+V out
Trim
-V out


№ pin
Описание
1
2
3
4
5
6
7
8
-V in
Enable
+V in
+V out
+Sense
Trim
-Sence
-V out






№ pin
Описание
1
2
3
4
5
6
7
8
-V in
Enable
+V in
+V out
+Sense
Trim
-Sence
-V out
GORT -5 - - - - - - - D (Китай)
Входное напряжение, VDC
E (9-36)
D (18-36)
H (36-75)
T (18-75)
P (180 - 375)
R (250 - 425)
S (180 - 400)
Выходное напряжение, VDC
B=3,3
C=5
I=8
K=12
M=15
O=24
P=28
R=36
T=48
Мощность, W
C=75
D=100
O=120
E=150
H=200
K=300
T=350
Температурный диапазон, °С
E (-40..+85)
F (-40..+100)
H (-55..+100)
Тип корпуса
1 (с фланцем)
0 (нет фланца) кроме P, R
4 (без корпуса) кроме P, R
N (baseplate) кроме P, R
Тип выводов
2 (long) для D, P, R
8 (DOSA) кроме D, P, R










Автомобильная промышленность
Железная дорога / метро
Судовая электроника
Телекоммуникация/сотовая связь
Робототехника
Оборонная и аэрокосмическая промышленность
БПЛА
- резервирование складского запаса в Санкт-Петербурге
- доставка до двери клиента по всей территории РФ
188682, Россия, обл. Ленинградская, р-н Всеволожский, гп Имени Свердлова, мкр 1-й, дом 16А
Tel. +7 812 323 1 323
e-mail: info@gort.su