Информация для заказа:
GORT - 3 - E - K - D - F - 1 - 2 - P
название - типоразмер - вх. напряжение - вых. напряжение - вых. мощность - темп. диапазон - тип корпуса - тип выводов - произв. площадка
Типоразмер Full-brick («кирпич», «A Maxi» у Vicor) обозначается цифрой 3 и соответствует следующим размерам:
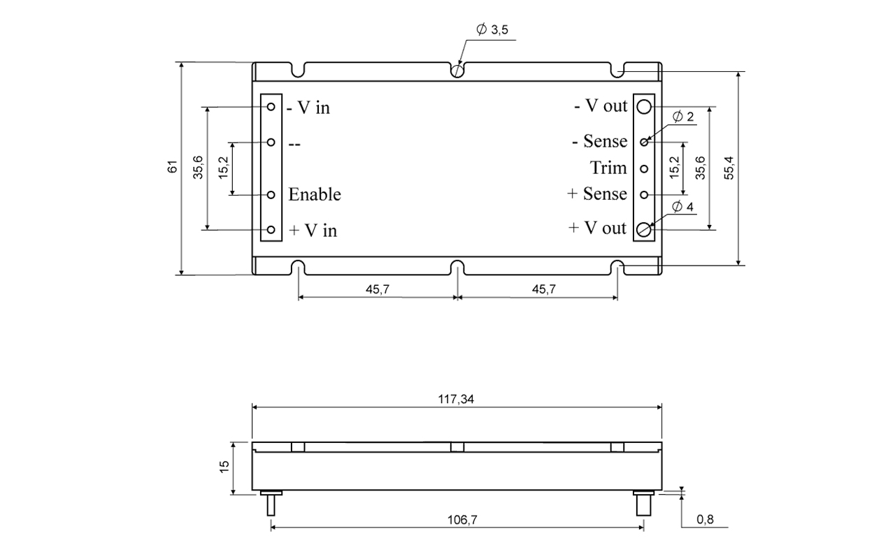
117.3×61.0×15.0 mm для типа корпуса 1 - с фланцем с прорезями, площадка P;
117×55.9×12.7 mm для типа корпуса 1 - с фланцем с прорезями, площадка D;
116.8×61.2×13.7 mm для типа корпуса 2 - с резьбой / threaded (корпус без фланца с не сквозными отверстиями с резьбой для крепления).
113.3×57.9×10.1 mm для типа корпуса 4 - без корпуса / open frame.
112.0×40.9×10.0 mm для типа корпуса 4 - без корпуса / open frame. *Только для диапазона входного напряжения S (180 – 400VDC).
Высокий КПД: 91% - 96.5% при полной нагрузке.
Не требуется минимальная нагрузка, прекрасная производительность при большой выходной емкости.
GORT -3 - - - - - - - P (Тайвань)
Входное напряжение, VDC
E (9-36)
D (18-36)
T (18-75)
W (40-180)
Z (180-425)
Выходное напряжение, VDC
C=5
K=12
O=24
P=28
T=48
Мощность, W
B=50
D=100
H=200
L=400
N=600
Температурный диапазон, °С
F (-40..+100)
Тип корпуса
1 – c фланцем
Тип выводов
2 (long)


GORT -3 - - - - - - - D (Китай)
Входное напряжение, VDC
P (180 - 375)
R (250 - 425)
Z (180-425)
S (180 - 400)
X (400-650)
2 (300-500)
Выходное напряжение, VDC
B=3,3
C=5
I=8
J=10
K=12
M=15
O=24
P=28
R=36
T=48
1=10,5
Мощность, W
J=264
L=400
M=500
N=600
P=800
Q=1000
Температурный диапазон, °С
E (-40..+85)
F (-40..+100)
H (-55..+100)
Тип корпуса
1 – с фланцем для P, R, S.
2 – с резьбой, для X, S, Z, 2.
4 - без корпуса, для X, S, Z, 2
Тип выводов
2 (long)


№ pin
Описание
1
2
3
4
5
6
7
8
9
+V in
Enable
Parallel
-V in
-V out
-Sense
Trim
+Sence
+V out




№ pin
Описание
1
2
3
4
5
6
7
8
9
10
11
12
13
15
+V in
Enable
Clock Select Terminal
External Sync Signal Input
-V in
-V out
-V out
Share Bus
-Sense
Trim
+Sence
+V out
+V out
Supply pin for internal clock

Автомобильная промышленность
Железная дорога / метро
Судовая электроника
Телекоммуникация/сотовая связь
Робототехника
Оборонная и аэрокосмическая промышленность
БПЛА
- резервирование складского запаса в Санкт-Петербурге
- доставка до двери клиента по всей территории РФ
188682, Россия, обл. Ленинградская, р-н Всеволожский, гп Имени Свердлова, мкр 1-й, дом 16А
Tel. +7 812 323 1 323
e-mail: info@gort.su