Информация для заказа:
GORT - 4 - E - K - D - F - 1 - 2 - P
название - типоразмер - вх. напряжение - вых. напряжение - вых. мощность - темп. диапазон - тип корпуса - тип выводов - произв. площадка
Типоразмер Half-brick (1/2, «половина кирпича», «B Mini» у Vicor) обозначается цифрой 4 и соответствует следующим размерам:
61,4×61×15 mm для типа корпуса 1 – с фланцем с прорезями, площадка P;
57.9×55.9×12.7 mm для типа корпуса 1 – с фланцем с прорезями, площадка D;
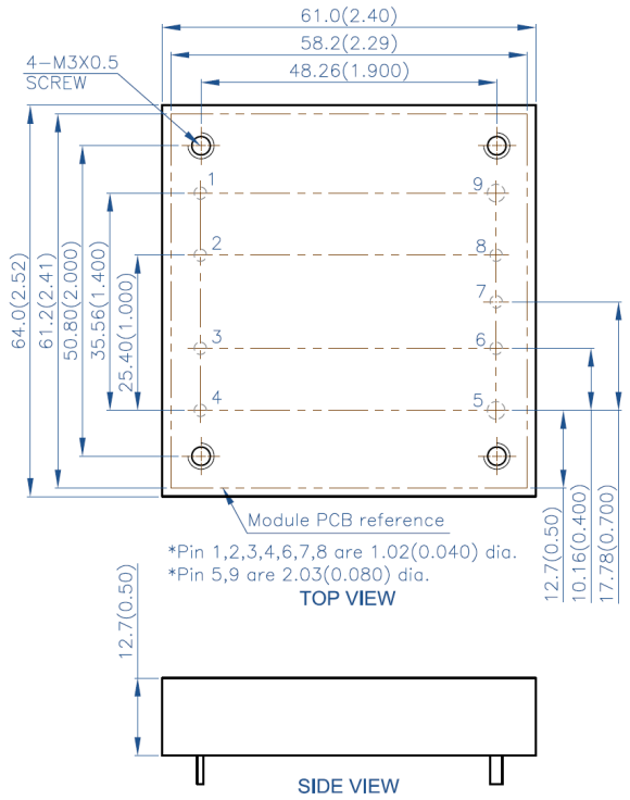
64.0×61.0×12.7 mm для типа корпуса 2 – с резьбой / threaded (корпус без фланца с не сквозными отверстиями с резьбой для крепления).
58.2×61.2×10.1 mm для типа корпуса 4 – без корпуса / open frame.
Высокий КПД: 91.5%-94% при полной нагрузке.
GORT -4 - - - - - - - P (Тайвань)
Входное напряжение, VDC
E (9-36)
D (18-36)
T (18-75)
W (40-180)
Z (180-425)
Выходное напряжение, VDC
C=5
K=12
O=24
P=28
T=48
Мощность, W
B=50
D=100
H=200
K=300
Температурный диапазон, °С
F (-40..+100)
Тип корпуса
1 – c фланцем
Тип выводов
2 (long)
8 (DOSA)



№ pin
Описание
1
2
3
4
5
6
7
8
9
-V in
-
Enable
+V in
+V out
+Sense
Trim
-Sence
-V out


№ pin
Описание
1
2
3
4
5
6
7
8
9
-V in
-
Enable
+V in
+V out
+Sense
Trim
-Sence
-V out
GORT -4 - - - - - - - D (Китай)
Входное напряжение, VDC
E (9-36)
D (18-36)
H (36-75)
P (180 - 375)
R (250 -425)
X (400-650)
2 (300-500)
S (180 - 400)
Выходное напряжение, VDC
B=3,3
C=5
I=8
K=12
M=15
O=24
P=28
R=36
T=48
Мощность, W
E=150
H=200
I=250
K=300
T=350
L=400
Температурный диапазон, °С
E (-40..+85)
F (-40..+100)
H (-55..+100)
Тип корпуса
1 -с фланцем, для P, R
2 -с резьбой, кроме P, R
4 – без корпуса, кроме P, R
Тип выводов
2 (long)




№ pin
Описание
1
2
3
4
5
6
7
8
9
+V in
Enable
Share
-V in
-V out
-Sense
Trim
+Sence
+V out



Автомобильная промышленность
Железная дорога / метро
Судовая электроника
Телекоммуникация/сотовая связь
Робототехника
Оборонная и аэрокосмическая промышленность
БПЛА
- резервирование складского запаса в Санкт-Петербурге
- доставка до двери клиента по всей территории РФ
188682, Россия, обл. Ленинградская, р-н Всеволожский, гп Имени Свердлова, мкр 1-й, дом 16А
Tel. +7 812 323 1 323
e-mail: info@gort.su