Информация для заказа:
GORT - 6 - E - K - D - F - 1 - 2 - P
название - типоразмер - вх. напряжение - вых. напряжение - вых. мощность - темп. диапазон - тип корпуса - тип выводов - произв. площадка
Типоразмер Eighth-brick (1/8, «одна восьмая кирпича») обозначается цифрой 6 и соответствует следующим размерам:
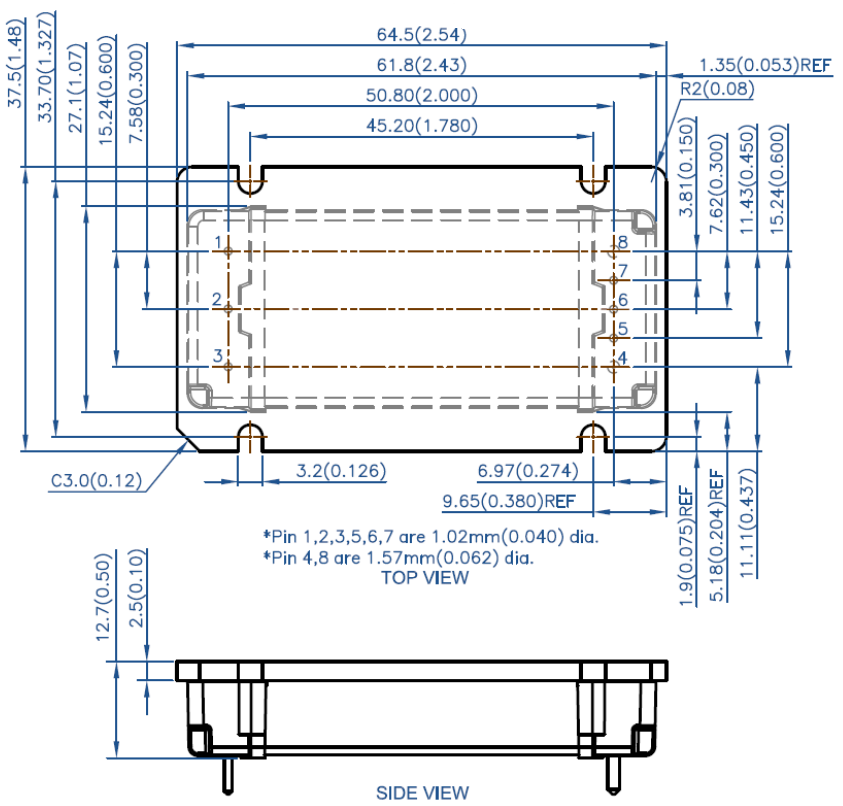
64.5×37.5×12.7 mm для типа корпуса 1 – с фланцем с прорезями, площадка D;
61.0×25.2×12.7 mm для типа корпуса 0 – корпус без фланца, площадка D;
58.4×22.8×12.7 mm для типа корпуса N – baseplate, площадка D;
58.4×22.8×10.4 mm для типа корпуса 4 - без корпуса, площадка D.
Высокий КПД: 89%-95% при полной нагрузке. Выходная мощность до 144 Вт. Частота преобразования в диапазоне 180-350kHz.
GORT -6 - - - - - - - D (Китай)
Входное напряжение, VDC
E (9-36)
D (18-36)
T (18-75)
H (36-75)
S (180 - 400)
Выходное напряжение, VDC
B=3,3
C=5
I=8
K=12
P=28
T=48
Мощность, W
B=50
D=100
O=120
E=150
Температурный диапазон, °С
E (-40..+85)
F (-40..+100)
H (-55..+100)
Тип корпуса
1 – с фланцем
0 - без фланца
4 – без корпуса
N – baseplate
Тип выводов
8 (DOSA)








№ pin
Описание
1
2
3
4
5
6
7
8
+V in
Enable
-V in
-V out
-Sense
Trim
+Sence
+V out

Автомобильная промышленность
Железная дорога / метро
Судовая электроника
Телекоммуникация/сотовая связь
Робототехника
Оборонная и аэрокосмическая промышленность
БПЛА
- резервирование складского запаса в Санкт-Петербурге
- доставка до двери клиента по всей территории РФ
188682, Россия, обл. Ленинградская, р-н Всеволожский, гп Имени Свердлова, мкр 1-й, дом 16А
Tel. +7 812 323 1 323
e-mail: info@gort.su